old/new ELF II BASIC/Math board

[Elf II BASIC/ROM board]

Most recent revision of this page May 24 2025(c) Herb Johnson. In March 2025, Alan Kilan offered a new build of the Elf II BASIC/MATH board. I obtained one of the new-layout cards. I've worked on obtaining and disassembly of the BASIC software and obtained docs for it and its National MM57109 math processor. This page provides those documents. Because the National MM57109 is very different from other 8-bit microprocessor products, I've also found and described other applications of the National processor from the era. This page is work in progress as of date given above, so check this page over time, and please inform me of errors and corrections.

Another Web page introduces the Elf II I obtained from Will Dotson in 2024. Work in 2024 was to figure out his modifications. This Elf II is not operational as of this date.

Some of these links are to a cosmacelf groups.io discussion group or their file archive. You may need to be a member of the group to get file access. Check the home page of the cosmacelf groups.io for membership information. - Herb

Newly produced BASIC/Math board, ROM recovery and operation

Andrew Wasson's AVI Elf II github site has an image and new schematic for the BASIC/Math board layed out by Josh Bensadon in Feb 2025. Here's a PDF of the new schematic by Josh. There's a few changes from the Netronics schematic. (Also the new PC board includes the jumper wire that was added to the original board as per the assemble instructions.) The Gerber files are in another section of the site.

The AVI Elf II github project site is maintained by Andrew Wasson. The project is a reproduction of the Netronics Elf II (rev D) as redesigned by the late Ed Keefe, with work by several developers as listed on-site. This Web page is focused on the original and Bensadon/Kilian's reproduction BASIC/Math board of the Elf II, the BASIC ROM software, and the National MM57109. The Gerber files for this BASIC math board, and the other redeveloped Elf II boards, are on the AVI Elf II github site.

Here's Ed Keefe's BASIC/ROM board less processor. Ed Keefe restored an ELF II, including the BASIC board. His Web pages describe his process. (Ed's ROM dump, BASIC board image and other content here are courtesy of the Ed Keefe estate.)

Here's the board produced by Alan Kilan and the solder side. It happened to be produced with ENIG gold (gold over nickel) over the entire board, in order to have some kind of gold over the edge connectors. Some other producer might provide ENIG edge-connectors, or hard-gold, or some other treatment. The Web will inform you about PC board production features.

The layout for the reproduction board was created in response to a request from Alan KIlan in mid-Dec 2024, posting "WTB: Basic board" on the cosmacelf groups.io discussion list. Alan wanted a replica to add to his replica Elf II, while providing his original Elf II to a museum. By Feb 2025 Josh Bensadon made a CAD layout of the board. Alan had boards produced and distributed his extras in March 2025. Discussion continued about who had original ROMS, where the ROM images were archived, and various progress reports on use of the original or replica boards.

I checked the ROM images available in Feb 2025 and found they were faulty. When I checked around to find original ROMs or their dumps, Josh Bensason was able to obtain Ed Keefe's ROM dumps. Also Josh dumped the ROMs from a BASIC board he had from the estate. The recovery from two sources marched. Disassembly of these ROM images (by I and others) confirmed they were likely good. These images are on the cosmacelf groups.io files area and are also on this Web page.

build results

On Mar 26 2025, Andrew Wasson reports on cosmacelf groups.io, that he got the new BASIC/MATH board running with the ROM images loaded into memory (via a WAV file loaded into RAM) and the BASIC appears to run and execute immediate PRINT commands. He's in the process of finding and programming 2716 ROMs for the board. (Apparently he made his own boards from the Gerber files on github.) Alan Kilian reports on Mar 25 that he has his board running but also needs to find and program PROMs.

backward diode, Giant board fixes: ".. and if you're building a new board, remember the polarity of Zener diode D1 on the BASIC/Math/ROM board. It shows backwards in the original Netronics schematic [but not in Josh's new schematic and as indicated on the new board]." Also don't forget, "There's a [Giant Board diodes] modification to the EF2 signal because it's used (now) by both the Netronics Full Basic/Math/ROM board and the cassette output function on the Giant board." - Alan Kilian, April 2025. Alan got his new board and BASIC running.

Apr 22-23 2025 Costas Skordis, negative supply: Costas reports on cosmacelf groups.io of building the Math board for his Elf II rev D (new version), getting BASIC to operate, but no operation of the Math chip. BASIC hung up whenever a math operation was performed.

Diagnostics as suggested, showed the math chip was being I/O addressed by BASIC (at the logic-signal level, results of I/O operations 62 and 6A, and EF2). Also, that the local oscillator was running (but at 233KHz and a .022uf cap). I asked about negative voltage for the MM57109 chip. Costas said there *seemed to be* -4V available at the Vss pin of the MM57109 chip. However, Costas didn't get the chip to respond until 1) he replaced the D1 Zener diode in the -4V supply circuit and 2) he fiddled with the Elf II rev D jumpers related to the negative 12-volt converter on the (new Rev D) Elf II board. But after this work, his math chip responded and BASIC performed accordingly.

Andrew Wasson, reported in reply, he had similar Math board problems until he also "played with the 8-volt, minus 8-volt jumpers" on his Rev D Elf II.

Negative DC supply: I was confused by this negative supply business. There's no negative power supply on the original Elf II board and Netronics power supply, and none noted in the original documents. Then Costas told me he was running a Rev D Elf II, not an original Elf II. I asked in general about negative DC power across the Math board builders.

Documents for the orignal Elf II and Giant board, showed that in the era a -12V supply was not part of the Elf II supply or wired normally onto the Elf II bus. A negative supply was specified with the Giant board, to generate RS-232 (negative voltage) signals. Both the Giant board and the original (and new) Math board specify that a negative supply be wired to pin 15 of the bus as a user upgrade.

Thus, it's important to source a negative supply for use of the Math board, connect it to the Math board bus pin 15, and verify that voltage. The Math board also depends on the Giant board for I/O; if RS-232 is needed the Giant board also needs a negative supply on pin 15.

The Elf II Rev D (new board) has a +5V to -12V converter added to the board. That supplies -12V to the Giant and Math boards. The build documents point to Mornsun IB0512S-W75R3 (Digikey) DC/DC 5V in, 12V 62mA out converter. Costas added Apr 24, that the Mornsun brand DC/DC regulator data sheet suggests for 5VDC input to use Cin of 4.7uF/16V and 12V Cout 2.2uF/25V "to avoid startup problems" quoting the data sheet. Costas added the caps and will observe results going forward. My read of the Rev D schematic, shows no capacitors at the regulator's inputs or outputs; Vin is shown connected to +5V which has its own 10uF cap. Also Rev D connects all the bus pin 13's to -8V (the original Elf II left these pins open but suggested use for a negative DC supply).

Josh Bensadon noted: "I did not see any suggestions on how to get this -8V in the GIANT manual, but my original ELF II came with another full wave rectifier and some capacitors soldered loosely to the back of the [Elf II] board. It was a negative voltage charge pump. I do not know where the original owner found or came up with this circuit, perhaps it's in a Netronics Newsetter somewhere?"

Robert DiPippo noted: "I converted a [PC compatible] computer power supply that I gave to Ed Keefe. There is a red box and the power supply was in the box. It supplied 5V at 20amps, -12V at 5amps [for -8V] and +12V 5 amps [for +8V]. All the power that it needed to power all the boards on the back plane I gave him plus the main board. Look for it [on Ed's Web site] as it might help. If you found some of my memory boards or any of the other boards I gave Ed, you would have noticed there was no 5v regulator on board [the Elf II] as I feed all with 5v+."

Math chip clock frequency: Costas reported his new-build Match board clocks at 233KHz. Kilian previously reported his new-build Math board has an oscillator that runs at 250Khz; he changed the resistor value to increase frequency. Josh Bensadon reports his original Math board clocks at 233kHz. <>P>I checked various R/C logic-buffer oscillator circuits on the Web, on how frequency depends on the R and C values that produce a clocking analog voltage. These circuits vary, but a typical calculation is F = 1 / (1.39 × R × C). 18K ohms and 100pf seems to calculate out to 399.6 kHz. David Madole suggests that a non-50% duty cycle may cause problems at higher frequency; but notes the National docs state details and a max frequency of 400Khz. I suggested a larger-than expected cap would slow the frequency down; Costas reports his cap is .022uF (22000 pF?).

Supporting Netronics BASIC/ROM docs, ROMs, codes

Hardware

Ed Keefe restored an Elf II some years ago. Here's his Web page about that work. including efforts on the BASIC/ROM card. Web search will find several sites about the Netronics ELF II.

From Charles Morford as uploaded to the cosmacelf groups.io files archive, are Netronics docs as follows. chapters 1 and chapters 2 and 3 of "Full BASIC Level III" for the BASIC board. The BASIC is contained in three 2716 ROMs (6K) as supported by the National math processor chip. The original Netronic build and schematic for the board, are in this document "Full BASIC Math/ROM Board - Assembly Instructions".

Software in BASIC ROMs

Here's a dump of the three ROMs on Full BASIC board. The first ROM dump available was incorrect, the ROM for 0000H was all EDh and FDh bytes. Those were replaced by Josh Bensadon March 8 2025 with a good set of ROM images, from Josh's original BASIC board, and a ROM-dump file set from Ed Keefe's estate. They were identical.

I and others are disassembling the ROMs. I've performed a rough disassembly of the three BASIC ROMs. I'll update it and/or provide other disassemblies as they become available. The April/May 2025 version, has been edited then assembled, the binary compared to the original ROM dump, with no differences in the binaries.

Marcel has accumulated a lot of discovery work on the BASIC Math board and ROM codes, on his EMMA 02 Web page for the Elf II. Some of that work is replicated on this page. I've used his work, my work and other's work in my disassemblies.

Here's a detailed interpretation of the initialization codes including SEP R7, SEP R8, and SCRT routines. Further disassemblies will identify 1802 coding methods and call out ASCII and National-format data; this will take time. As I'll describe, the features of the BASIC and processor are unique even for the early 1980's era of 8-bit microprocessors. In process, here's a note on cassette I/O codes. And, here's a note on the BASIC internal variables storage page from Marcel's EMMA 02 site as previously noted.

Features of the board, Netronic BASIC and National math processor

The BASIC from Netronics, uses "Polish" or RPN (Reverse Polish Notation, also called postfix notation) to represent math expressions. RPN was in use on many HP brand scientific calculators of the late 1970's. Hand calculators almost always operate in decimal - digits 0 thru 9. The byte-I/O-based National processor, derived from National calculator designs, likewise used BCD and RPN processing . All data in and out is in decimalized digits, commands are byte values. Thus the Netronics BASIC is RPN and in BCD, because the National math processor is RPN and in BCD. That is relatively unique for that era.

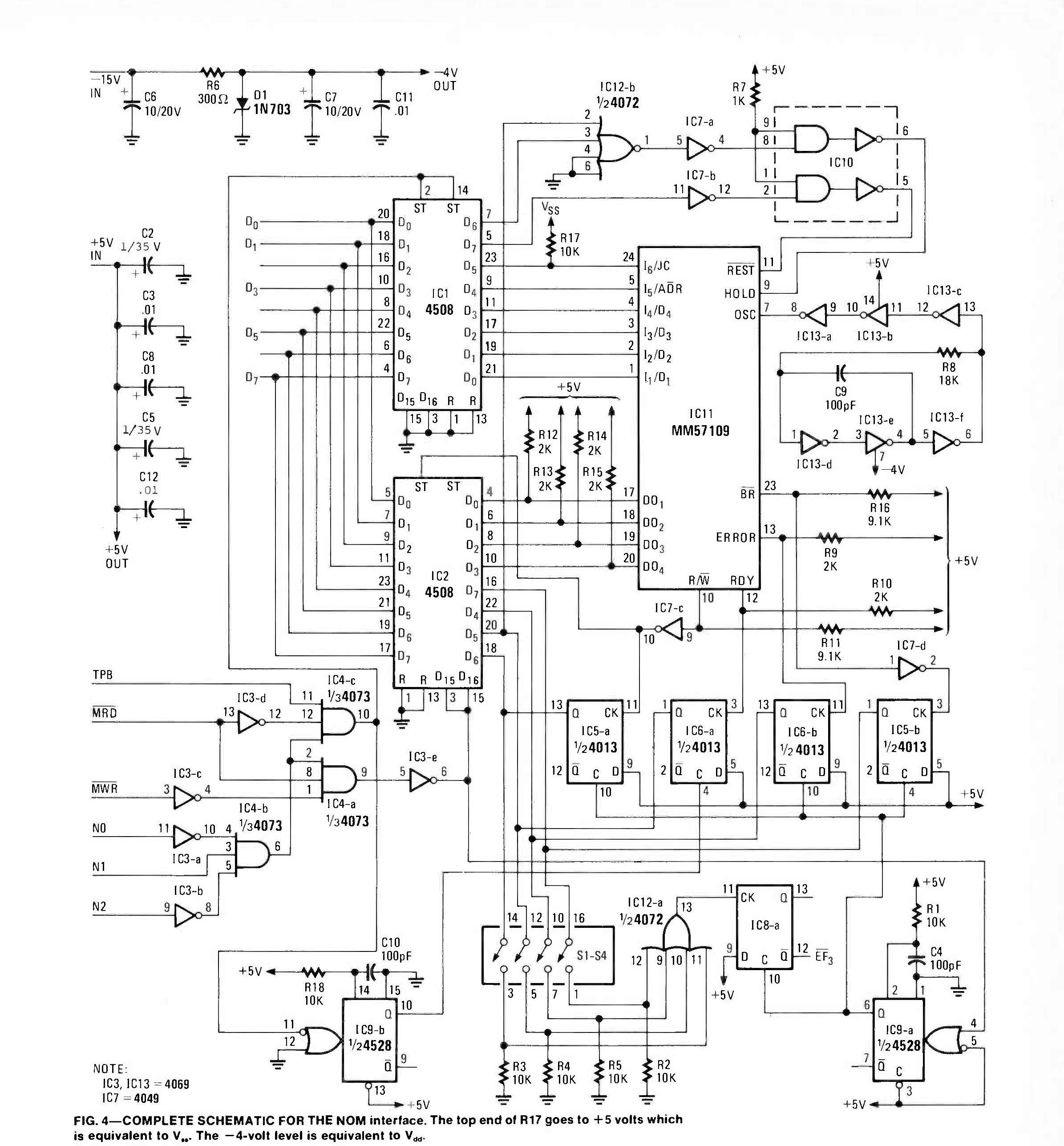
The BASIC/ROM board consists of the National MM57109 math processor, two 8-bit data latches, and four ROM sockets. The National processor operates from 1802 INP OUT instructions. OUT 5 from the 1802 loads a byte into the processor, INP 2 on the 1802 reads a BCD value from the processor. There's a "ready" from the National processor that is read by /EF2 to see if the processor is ready for another operation. Also data ready (bit 6 INP2) and error (bit 5 INP2).

The four ROM sockets on the board, support 2716 ROMs, 2K bytes wide and 5-volt powered ROMS. Only three ROMS support the Netronics BASIC, which run in the lowest part of memory (0000H-17FFH). RAM in the highest part of memory is required - BASIC looks through memory to find available RAM. There's other INP and OUT ports assumed by BASIC for input and outputs from BASIC, their hardware is elsewhere on the ELF II.

"The MM57109 processor operates on a 9V power supply. In order to make it TTL compatible, it can be operated from supplies of 5V and -4V." That's from the National data sheet. In the Netronics schematic, pin 21 Vdd is connected to +5V, and pin 15 Vss is connected through a 270 ohm resistor to a -8V supply. The -8V supply also is a negative reference for some of the MM75019 lines through 10K pull-down resistors.

In the original BASIC/ROM docs, a wire and PC layout change is called out, including a connection to edge connector pin 14. That change is part of the Bensadon layout and need not be made. The original schematic shows the results after the change (and as represented in the Bensadon layout).

Caution: do not attempt to use TI brand "TMS2716" ROMs on this board. They are not compatible with other brands of 2716 ROMS. The TI brand TMS2716 uses three DC supply voltages - like a 2708 ROM. Web research will explain why this situation occurred.

Read the Netronics documents and National documents as referenced on this Web page for more original documentation. Discussions of RPN and early HP calculators can be found on the Web. Because of the unique features of the National math processor, I've gone to some efforts to find and describe on this Web page, the few uses of the MM57109 processor in the period. My hope is, more information will provid emore opportunities to understand it. My fear is, "more information creates more confusion". My regrets if some people are overwhemled or uninterested. - Herb Johnson

cassette load and save

Work is ongoing in May 2025 forward regarding BASIC Load and Save to/from audio cassette as BASIC files. Thanks to Costas Skordis for opening that investigation and exploring desktop generation of cassette-compatible WAV files. Thanks to Marcel van Tongeren for implementing and operating a BASIC/ROM emulation for ELF II and debugging the BASIC ROM COSMAC codes. Also thanks to other cosmacelf groups.io members for their testing and comments. - Herb

The two-tone 800Hz / 2400Hz codes to LOAD and SAVE BASIC programs, are in the BASIC ROMs. From Netronic documentation, the Giant Board ROMS and cassette hardware also follow that same 800/2400 scheme. Costas has produced Python code to generate BASIC ROMs SAVE files which by late May was tested both on restored Elf II BASIC ROM/math hardware and in EMMA 02 emulation.

By May 20th, Costas says this in cosmacelf (groups.io post) about the BASIC cassette files produced, and his Python program to create WAV files:

"The structure of the data comprises of a 14 second leader 2400Hz (Bit 1) tone followed by the data packets of 10 bits: start bit (0), 8 bits representing character, and an odd parity bit. This sequence repeats itself until the end which is followed by a carriage return and 3 bits of (0) that signals the end. After the leader there are 2 bytes reserved for the byte size of the code."

"The byte size is calculated after the space between the line label and code is removed and a carriage return is added at the end of the line. The total byte size is added to 0x100 (256) and represented as 16 bits for those 2 reserved bytes including the start and parity bit."

"The converted text to binary is laid down after this with start bit 0 and parity. When the code is all done [a char of any sort including 0, of 8 bits] is added followed by 3 bit 0's [at 800Hz] to indicate that the code is done." [Marcel and SAVE code disassembly suggest there's 4 bit 0's at the end. - Herb]

"From all of this the binary array is processed into the wav file and saved. So far I have it working in EMMA 02[emulation] and on real reproduction hardware. I will publish the Python code [to produce on desktop computers the WAV files from BASIC texts] on my GitHub page once I make it more presentable with prompts. Many thanks go to Marcel, Alan and Herb for pointing me in the right direction. - Regards, Costas".

Costas later adds: "Marcel, I did some more testing [with EMMA by writing] a program of just one line "1PR" and saved it via Emma. Then using the python script I converted the text to wav using 3 and 4 terminating zeroes. The last byte as you say can be anything and in my program it's byte character of 0. All wav types loaded into Emma and the ELF II Basic system successfully."

When I asked for details of the test BASIC programs, Costas said: "I started with the TicTacToe and LunarLander BASIC example files that are in the [cosmacelf] files section. But to test something small[er] I used "1 PR" and "2 END". With the help from Marcel using a Beta Emma 02 version, I typed it into Emma and saved the wav [produced by the Emma emulator's Elf II]. I also converted [the text] using the Python script. Then I Opened the [WAV files] up in Audacity and zoomed into the individual waves and mapped them as 0 and 1's. A very tedious process."

"Once I figured the WAV file termination [bits] piece, both wave files would load. [Then I] converted the BASIC text for TicTacToe and Lunar Lander, compared the termination pieces [between] loading and saving out from Emma, and the real ELF II. Loading was 100% successful."

About the hardware in use, Costas said: "However I am not using the onboard cassette circuit but instead I'm using my generic cassette interface card which has similar circuitry. I created this board for users that did not have the Hyperboard." - Costas [More on cassette hardware is in another section of this Web page.]

Marcel van Tongeren advised: "The SAVE routine starts on address 0x1149 and one bit output via Q is done with a SEP RE (RE=0x1136). The LOAD routine starts on address 0x1194, haven't looked into all details here but looks similar where SEP RE (RE=0x11D5) is likely doing the bit input via EF2." Here's a disassembled code snip of the SAVE routine and how it operates the Q output to produce the audio to a cassette recorder.

cassette hardware and mods

The BASIC Math/ROM board operates Q and EF2 with its own software to create two-tone audio, to load and save files on audio cassettes. The Elf II (original) Giant Board's hardware Q and EF2 cassette operations, from the Elf II ROM monitor, were described by me years prior in this document. The schematic of the Giant Board cassette hardware is in this sketch from Giant Board documents.

But the BASIC board also uses EF2 to flag the end of a math-chip operation. For reasons not stated, Netronics provided instructions with the BASIC board docs, to modify the Giant Board's cassette input circuits to share EF2. The mods also connect the BASIC board to OUT 5 and IN 2 to operate the math chip. Here's exerpts from the BASIC board docs on the mods, with my notes added in []. In another document I'll describe shortly, Figure 1 shows the Netronics EF2 mods for the cassette input. They add two diodes and a coupling capacitor to the cassette-read op-amp's output to /EF2, apparently to improve the cassette reads. But that's not explained by Netronics.

However, after Netronics produced the BASIC math board, this Ipso Facto issue 27 published note by a BASIC math board user, says further mods are needed to reduce the "degraded" audio input signals due to the previous Netronics mods. The note also says there's a conflict between use of EF2 to flag end-of-math-chip operation, and cassette read LOAD operation. These suggested mods, remove the Netronic diode/cap mods. The author says: "This modification eliminates the ac coupling [capacitor] of the cassette signal to the buss and allows a cassette read even when the Full BASIC board would be holding EF2 low." An added LED is lit when cassette operation is enabled. Also: if the math-chip doesn't release /EF2 (the math-chip done flag). a "PR CL#" BASIC operation may be needed sometimes before LOAD.

When I asked Costas about these mods and his BASIC and cassette file testing he said: "However I am not using the [Giant Board] onboard cassette circuit, but instead I'm using my generic cassette interface card which has similar circuitry. I created this board for users that did not have the Hyperboard." It's a design apparently also based on Ed Keefe's ELF II work, and a PC layout by Josh Bensadon and then produced recently (2020's). This board includes the Giant Board's cassette read op-amp, and then adds a second op-amp which appears to follow the Netronics diode/capacitor mods. My *guess* is, the second op-amp disables the cassette circuit from /EF2 when there's no cassette signal - the same function as the Ipso Facto mod.

[Also noted in the Ipso Facto note, is the reversed-diode problem on the original BASIC board. The new Bensadon/Costas BASIC board fixes that.]

Let's pause here.

There's three cassette-EF2 circuits in contention. One is the original Giant Board cassette input circuit. The second, is that circuit as modified per Netronic's instructions when adding the BASIC board. The third, is the Keefe/Costas/Bensadon circuit on the "generic cassette" board. OK? I've summarized my review of each in various docs or on this page. They are all related by the use of /EF2 for the cassette input/LOAD and/or for the Math chip's "done" signal. It appears those sometimes conflict, and also the cassette read circuit had issues. Now I'll compare all three circuits here as an "engineers eyeball" overall comparison.

I compare the EF2 audio cassette circuits for the Elf II Giant Board schematic versus Keefe/Costas/Bensadon's "generic cassette" schematic. The input op-amp circuit to EF2 (for LOAD from cassette) *at the first input op-amp* is the same. But the generic cassette card, has a *second op-amp stage to /EF2, following the first op-amp*. The 2nd stage, includes a diode. there's a series capacitor and diode to /EF2.

Now I "eyeball" the EF2 circuits shown in the "infamous EF 2 line" modification Ipso Facto document. It first illustrates (figure 1) the recommended Netronics diodes/capacitor mods when installing the original BASIC ROM/math board. OK? Then the document also illustrates [figure 2 and 3] and describes its recommended mods. They claim to fix both cassette load problems *and* the math chip done vs cassette-read conflict, seen after the Netronics add-BASIC-board mods. Got that?

The note shows the Netronics mods to the Giant Board (figure 1), as a series capacitor and pair of diodes after the first op amp. These are similar to the added diodes and series capacitor on the later "generic cassette" circuit. The "generic" circuit document also shows a 2nd op-amp, maybe for some kind of diode/DC control.

Meanwhile, figure 2 in the Ipso Facto document shows the "cap and two diodes" mod in figure 1 is *removed*. The output of the op-amp is instead routed to a "auto switch mod" detailed in figure 3, using a 4066 as digital switches. I am at this moment, perplexed by the operation of the switches. The note has a description hard to follow. But the effect seems to be, some way to use the cassette signal to disable the connection to the math-chip done circuits, apparently without the "degrading" diodes and capacitor of the recommended Netronics mod.

So it's possible, the "generic cassette" 2nd op amp and added diodes and capacitor, may be another way to improve the /EF2 detection by the cassette-read (first) op-amp, but also isolate the connection of /EF2 for cassette-read, from the math-chip-done signal.

As of late May 2025, I'll retain these comparative descriptions on this page, and seek clarification from others who worked on these new Elf II boards as well as the original Giant and BASIC math boards. - Herb Johnson

COSMAC results

Ipso Facto and ELF II math test codes

The Ipso Facto small-press magazine covered Netronics and other COSMAC products. Ipso Facto issue 28, Mar 1982 published an article "Full Basic Number Crunch Sans Basic" by Tony Setaro. He produced some simple 1802 codes to access the processor and perform some simple math. These test the National processor without the BASIC ROMs. The codes were hand assembled, hex bytes with comments. I edited the codes into a binary file and disassembled them, to regenerate 1802 assembly language source for the codes. Thanks to Marcel van Tongeren, who did the same and verified our codes match.

Here's a ZIP file of the Ipso Facto article and the disassembled codes. The code as given needs further testing and refinements, it's work in progress. So contact me with any results and improvements. I'll update it accordingly.

EMMA 02 emulation

An EMMA 02 emulation of the BASIC as part of ELF II emulation is in progress as of late March 2025. Check the EMMA 02 Web site for status and details of his emulation of the board and math processor.

Questar Engineering NOM, a variation of the Netronics MATH board

Thanks to Andrew Wasson, who found the following articles in Radio Electronics. Apparently Questar Engineering produced their own MM57109 math board and provided a kit. It's built on a 4 X 6 inch board with 44 pin connector. It appears at a glance, to have the same math processor features as the Netronics board, but no on-board ROMS (or Netronics BASIC). Here's an image of the Questar Engr. schematic for your comparison to the Netronics product.

The build articles are in Dec 1978 Radio Electronics mag and Jan 1979 Radio Electronics mag Two part article is titled "Build this NOMCard For The 1802" by L. Steven Cheairs. The article starts, "Add-on math board for an 1802-based microcomputer. Based on a number-crunching IC, this board speeds execution time, reduces software overhead and saves memory". Those are claims similar to those in the National documentation. NOM means "Number Oriented Microprocessor".

The article series includes a schematic, PC layout, parts list and how-to-order info for Questar Engineering (Mesa AZ). Questar also offers an "ELFII to SB-44 converter board", and a PROM with 1802 monitor and code to operate the NOM (no BASIC). Apparently Questar Engr. intended to offer a similar board for the S-100 bus. and other 44-pin boards consistent with their "SB-44 bus". Cheairs may be affiliated with (or actually is) Questar Engr. as other R-E articles he authors are based on kits available from Questar Engr. (This Questar is not the same company as the Questar in California which produces optics and telescopes.)

Non-COSMAC applications and docs of the National MM57109

National documentation

A copy of the National datasheet for the MM57109. My local copy.

My version of the MM57109 instruction set and data format.

A National Semi 10 page AN-186 app note on the processor. And here's my local copy.

The US patent on the processor.

Z80 application - PSI Comp 80

A UK Z80 computer "PSI Comp 80" used the processor. BURP was the ROM BASIC which supported the processor. There's many other Web pages about the PSI Comp 80.

Another PSI Comp 80 Web page, which links to the several Wireless World magazine construction articles about it. One of the articles includes a hex dump of the 2708 ROMs for it, and some patches. Again, this is Z80 code that implements a BASIC that is supported by the National processor.

SWTPC application - MP-N

The SWTPC 6800 had an optional I/O board which supports the MM57109 called MP-N. The board amounts to a 6820 PIO that operates the processor. There does not seem to be any SWTPC software products that were supported by this board. A "calc-1" program was listed and described in the MP-N docs to demonstrate the board. The MP-N seems not to have sold well, and they are uncommon to find in the 21st century.

Here's the calc-1 source and here's a symbol table for it. The MP-N manual has this description of the calc-1 program. There's a correction for some of the manual and code, by Daniel Long as I explain below.

A Univ of North Texas student project in 1979 by Daniel Paul Long, produced a document about the MP-N board for 6800 math calculation in assembly for a subsequent project. His report includes the MP-N SWTPC and National document exerpts, comments and corrections on calc-1, and some results of use. He chose *not* to use the processor - it was too slow - but instead used 6800 assembly for his trig calculations. Thanks to Neil Cherry for finding this document.

Here's the original document but this is my on-site copy and the OCR text of his report with some tables he produced or modified. The bulk of his paper copies the SWTPC MP-N document, as available in the Deramp.com SWTPC archive two paragraphs above.

Another paper by Long, is about his use of a SWTPC 6800 in assembly code (without the MP-N) to perform operant conditioning reinformcement experiements on rats. Statistical processing of results is in PL/I-like code on some mainframe computer. Code is listed in the document. The 6800 portion of the code is mostly about operating the test apparatus on a timed interrupt, a terminal interface, and a bit of seconds-counting and multiplication math. Again, Long chose not to use the MP-N card in this code.

Other vintage math coprocessors

In the same era and class as the National MM57109 were the AMD 9511 and 9512. A licensed version of these were the Intel 9511 and 9512. (They used one of two floating-point representation schemes but were pin and logic compatable otherwise.) They found use on a number of vintage computers of the late 1970's. Otherwise, like the COSMAC 1802, 8-bit vintage computers implemented floating-point software for mathmatic processing. Later processors either used floating-point chips, or incorporated whole floating-point ALUs into their CPUs as is done with today's consumer-class processors. Here's a Web page I maintain on vintage floating point primarily in the Intel 8080 - Zilog Z80 world. - Herb


Herb Johnson
New Jersey, USA
follow this link to email me @ my email address

Copyright © 2025 Herb Johnson