H-89 H-19 video boards


This Web page last updated Aug 10 2022. copyright Herb Johnson (C) 2022. .

[Heath H19 H89 video]

I have a long history of working with H-89 Heath/Zenith computers, and the H-19 Terminals. These use the same sets of video boards and CRT which is the subject of this Web page. Check my Heath Zenith Web page for links to my H-19 and H-89 Web pages, or use Web search on my domain name. On this Web page, I want to call out the variations in the H-19 and H-89 video cards. Just as the H89 was produced in two different models with different terminal and computer boards; it appears the video boards in the H19 and H89 also changed in production. The video board(s) are the boards that drive the CRT.

One other complication. Because of copyright enforcement issues, the H19 and H89 manuals are difficult to find as freely available PDFs on the Web. In addition to the variations in production, it's difficult to establish and re-document these differences on a Web page. - Herb Johnson

Video boards

85-2165-1 I'm told this is another H19 H89 video board. If I find an example I'll add it to this Web page. [Heath H19 H89 video]

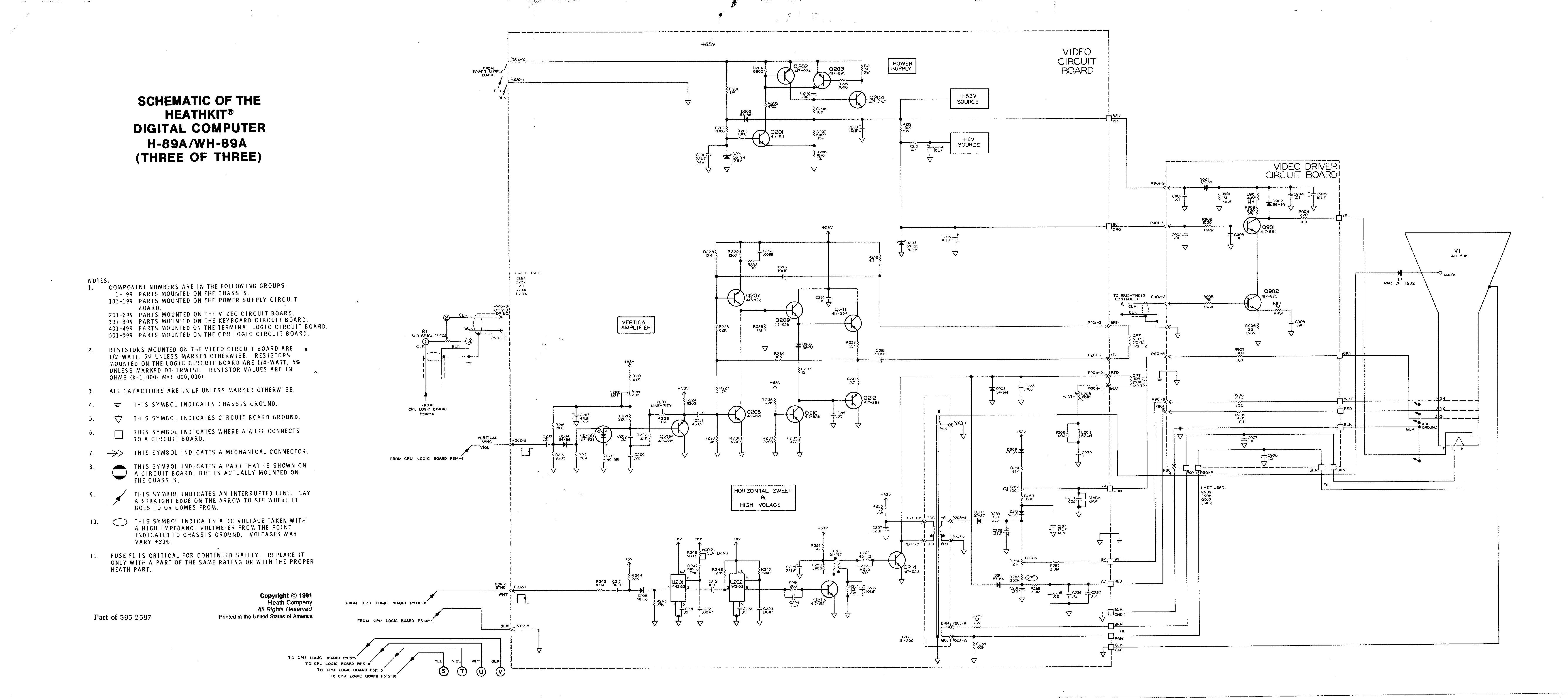
85-2553-2 video card. With video driver board 85-2636-1. HV flyback model 51-200 66182 07. anode wire insulation torn at base of transformer but wire seems intact. Condition unknown but presumed nonworking board with some working parts.

I believe I've identifed the schematic for this board. The schematic is from a H89A manual 595-2597 1981. There's a seperate "video amplifier" board in this schematic. The flyback transformer is identified as "51-200".
[Heath H19 H89 video]

95-2453-1 video card. no video driver board. HV flyback 51-200 6618021. Aluminum backplate included. anode wire insulation torn at base of transformer but wire seems intact. Condition unknown.

I believe I've identifed the schematic for this board. The schematic is from an H/WH 19 video terminal manual from 1979. There's no seperate "video amplifier" board, the video amp is part of the video terminal card. The flyback transformer is identifed as "51-196". This particular copy is marked up with transistor identifications and voltage waveforms.

The various H19 or H89 assembly and operating manuals, include descriptions of how the circuits work and include diagnostics and tests. I hate to put it this way: but "find the manuals specific to your H19 or H89 or H88 and reference those for details". There's too many manuals with too many restrictions to offer them; Web search will reveal the "restrictions".

Differences in H19 H89 video boards

My colleage in Heath computers, Lee Hart, tells me: "I'm aware of 3 different video cards for the H19/H89. The 85-2165-1 early; the 85-2453-1 middle; and the 85-2553-2 late (-A models with the separate little video amp board). The "2165-1" video board appears to be the first one, from about 1978-79. It looks like the same circuit as the 2453-1 board, but with some slight re-positioning of parts. They may have tweaked a part value here and there. I see a 22uF electrolytic that changed to 47uF."

Are the boards swappable between terminals or computers? Lee says "Yes, though the late -A version (built to reduce EMI) changed the video signal wiring. The early models just ran it as another wire in the harness that connects the Terminal Logic Board to the video card. The late models split it off into a shielded cable to the brightness pot on the back, then another shielded cable to the little video amp board right under the neck of the CRT. So you'd have to rearrange the cabling if you put a late board in an early H19/89 (or vice versa)".

The good news, is at least that 2453 and 2553 schematics seem to be of very similar circuits. Part locations and part name/numbers are different, but the circuits and components appear very similar. But I'm unsure and I haven't checked throughly. Readers, please contact me if you are aware of specific differences or have more information. This is always work in progress. - Herb
[Heath H19 H89 video]

I see that in both models, the HV flyback has a Heath part number 661820-type number. The various H89 and H19 manuals, provide a nondescript part number. The flyback cables have a Molex connector, and of course the anode HV wire has that "cup". The flyback appears to be the same model in both versions of the video board. Lee Hart suggests to me all three video-board models he knows of, have the same flyback.

ON these two boards I show, there's a break in the anode wire insulation at the base of the wire on the HV coils. I'll see if I can get high-voltage material to repair that. I believe the wire conductor is intact.



Copyright © 2022 Herb Johnson

Herb Johnson
New Jersey, USA
to email @ me follow this link